سمكرة وإصلاح سيارات بالرياض

تغيير عكوس السيارات

تغيير عكوس السيارات في الرياض – ورشة براءة أثير تقدم خدمة استبدال العكوس بكفاءة عالية، مع ضمان أداء ممتاز وثقة تامة. اجعل سيارتك تسير بسلاسة وأمان.

تغيير عكوس السيارات في الرياض – ورشة براءة أثير تقدم خدمة استبدال العكوس بكفاءة عالية، مع ضمان أداء ممتاز وثقة تامة. اجعل سيارتك تسير بسلاسة وأمان.

تغيير عكوس السيارات في الرياض: كل ما تحتاج معرفته حول إصلاح العكوس واستبدالها

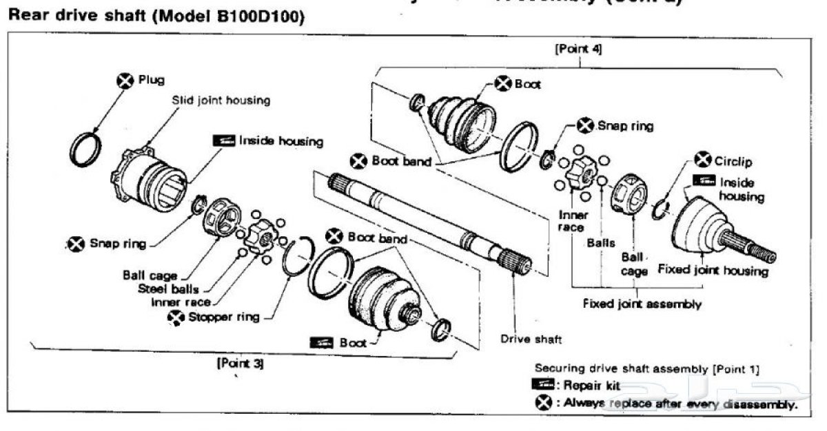
تعتبر العكوس أحد الأجزاء الحيوية في السيارة التي تساعد على نقل القوة من المحرك إلى العجلات، وتحديدًا العجلات الأمامية في السيارات ذات الدفع الأمامي. لذا فإن فشلها يمكن أن يؤثر بشكل كبير على أداء السيارة. في هذا المقال، سنتناول إصلاح العكوس في الرياض، هل يمكن إصلاح العكوس؟ متى يجب تغييرها؟ وأيضًا كيف تؤثر على أداء السيارة.

هل يمكن إصلاح العكوس؟

نعم، إصلاح العكوس ممكن في بعض الحالات. عندما تتعرض العكوس للتلف أو تبدأ في إصدار أصوات غريبة مثل "صوت الطقطقة"، يمكن إصلاحها عن طريق إعادة ضبطها أو استبدال الأجزاء التالفة. في بعض الأحيان، إذا كان الضرر بسيطًا، قد يكفي تنظيف العكوس وإجراء تعديلات على الأجزاء الميكانيكية.

الإصلاح أو الاستبدال؟

إذا كانت العكوس بحاجة للإصلاح، يمكننا إجراء إعادة ضبط العكوس أو استبدال الأجزاء التالفة بقطع غيار أصلية عالية الجودة. ولكن في حالة تضرر العكوس بشكل كبير أو تآكل الأجزاء الداخلية، فإن الاستبدال سيكون الخيار الأفضل.

مشكلة بعد تغيير العكوس: هل يمكن أن تحدث؟

نعم، من الممكن حدوث مشاكل بعد تغيير العكوس، مثل:

  • صوت طقطقة: قد يستمر الصوت إذا لم يتم تثبيت العكوس بشكل صحيح.

  • عدم التوازن أو الاهتزاز: إذا لم يتم تثبيت العكوس بالشكل السليم، قد يؤدي ذلك إلى حدوث اهتزازات أثناء القيادة.

  • مشاكل في التوجيه: إذا لم يتم تعديل الزوايا بشكل صحيح، قد تشعر السيارة بصعوبة في التوجيه أو انحرافها.

لذلك من الضروري التأكد من فحص السيارة بالكامل بعد تغيير العكوس للتأكد من أن جميع الأنظمة تعمل كما يجب.

علامات خراب العكوس

إذا بدأت العكوس في التلف، قد تلاحظ بعض العلامات التحذيرية التي تشير إلى ضرورة الإصلاح أو الاستبدال:

  • صوت طقطقة عند التوجيه: إذا كنت تسمع صوتًا غريبًا عندما تدير المقود، فهذا يشير إلى مشكلة في العكوس.

  • اهتزاز السيارة: إذا شعرت أن السيارة تهتز عند التسارع أو التوقف المفاجئ، فقد تكون العكوس بحاجة للإصلاح.

  • انحراف السيارة عند القيادة: إذا لاحظت أن السيارة تميل إلى أحد الجوانب أو تميل نحو الخارج أثناء القيادة، فقد تكون العكوس قد تضررت.

  • سائل زيت على العكوس: إذا رأيت سائلًا حول العكوس، فهذا يشير إلى وجود تسريب في غطاء العكوس.

هل العكوس تؤثر على العزم؟

نعم، العكوس تؤثر بشكل مباشر على العزم. العكوس هي المسؤولة عن نقل الطاقة من المحرك إلى العجلات. إذا كانت العكوس تالفة أو بحاجة إلى صيانة، فقد تؤثر سلبًا على قوة العزم، مما يؤدي إلى انخفاض الأداء العام للسيارة.

كم العمر الافتراضي للعكوس؟

العمر الافتراضي للعكوس يعتمد على عدة عوامل، مثل نوع السيارة وظروف القيادة. عمومًا، تتراوح مدة عمر العكوس من 100,000 إلى 150,000 كم، ولكن قد يختلف هذا من سيارة لأخرى. من المهم فحص العكوس بشكل دوري للكشف المبكر عن أي مشاكل قد تؤثر على الأداء.

متى يجب تغيير العكوس؟

يجب تغيير العكوس في الحالات التالية:

  • إذا كان هناك تسريب في زيت العكوس.

  • إذا كانت العكوس تصدر أصوات طقطقة بشكل مستمر.

  • إذا كانت العكوس غير قادرة على نقل العزم بكفاءة.

  • إذا كانت العكوس مكسورة أو تعرضت للانحناء بسبب تصادم أو حادث.

سعر العكوس

تعتمد أسعار العكوس على نوع السيارة وطرازها. عمومًا، يتراوح سعر العكوس من 300 ريال إلى 1500 ريال سعودي أو أكثر حسب نوع السيارة. يمكن أن تزيد الأسعار إذا كان الاستبدال يتطلب استبدال أجزاء أخرى أو إذا كانت السيارة من الطرازات الفاخرة.

سعر العكوس الأمامية

سعر العكوس الأمامية قد يختلف بناءً على ماركة السيارة، لكن من المعتاد أن يتراوح بين 500 ريال سعودي و2500 ريال سعودي للقطعة الواحدة، وقد يحتاج بعض الطرازات إلى قطع غيار خاصة.

خطورة العكوس التالفة

إهمال إصلاح العكوس التالفة قد يؤدي إلى:

  • تعطل نظام القيادة: مما يجعل القيادة صعبة وغير آمنة.

  • إتلاف أجزاء أخرى في السيارة: إذا تضررت العكوس بشدة، قد يؤدي ذلك إلى تدمير أنظمة أخرى مثل التوجيه أو المحور.

  • زيادة خطر الحوادث: بسبب ضعف التحكم في السيارة.

ورشة أثير لتغيير عكوس السيارات – كل ما تحتاج معرفته عن العكوس ووظائفها وأسعارها

إذا كنت تعاني من مشاكل في العكوس أو تحتاج إلى تغيير عكوس السيارة في الرياض، فإن ورشة أثير هي المكان المثالي. نحن نقدم خدمات تغيير العكوس باحترافية، بالإضافة إلى فحص شامل للتأكد من عمل السيارة بأفضل أداء بعد الخدمة.

ما هي العكوس في السيارة؟

العكوس هي أجزاء ميكانيكية تقع في الجزء الأمامي من السيارات ذات الدفع الأمامي (FWD) أو في السيارات ذات الدفع الرباعي (AWD). وظيفة العكوس تكمن في نقل عزم المحرك من المحرك إلى العجلات لتوفير الحركة اللازمة. العكوس تساعد في توزيع القوة الميكانيكية بشكل متوازن على العجلات الأمامية، مما يسمح للسيارة بالتسارع والتحرك بسلاسة.

تعتبر العكوس من الأجزاء الأساسية في نظام الدفع الأمامي أو الرباعي، ولذلك فإن أي خلل فيها قد يؤثر بشكل كبير على أداء السيارة وقدرتها على التحرك.

وظيفة العكوس في السيارة

1. نقل العزم إلى العجلات

العكوس تعمل على نقل قوة المحرك إلى العجلات الأمامية أو الخلفية، مما يجعل السيارة قادرة على التحرك والتسارع.

2. التوجيه في الزوايا

عندما تدير المقود، تلتوي العكوس وتسمح للعجلات الأمامية بالدوران بزاوية، مما يساعد على توجيه السيارة في الاتجاه الذي تريده.

3. تحسين استجابة القيادة

العكوس الجيدة تساهم في توفير استجابة سريعة ودقيقة في التوجيه، مما يضمن لك قيادة آمنة وسلسة.

الخلاصة

تغيير العكوس أو إصلاحها بشكل دوري يعد أمرًا بالغ الأهمية للحفاظ على أداء السيارة وسلامتها. إذا كنت تبحث عن تغيير عكوس في الرياض أو إصلاح العكوس التالفة، فإن اختيار ورشة متخصصة ذات سمعة جيدة أمر أساسي للحصول على أفضل خدمة بأعلى جودة. استبدال العكوس أو إصلاحها في الوقت المناسب يمكن أن يضمن لك قيادة آمنة وأداء ممتاز للسيارة.